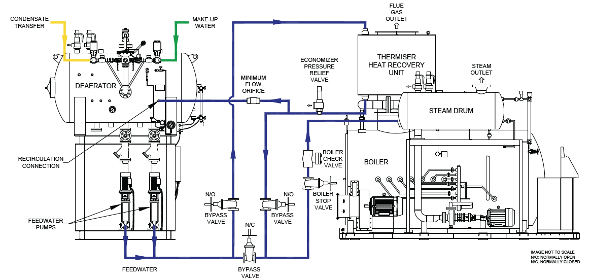
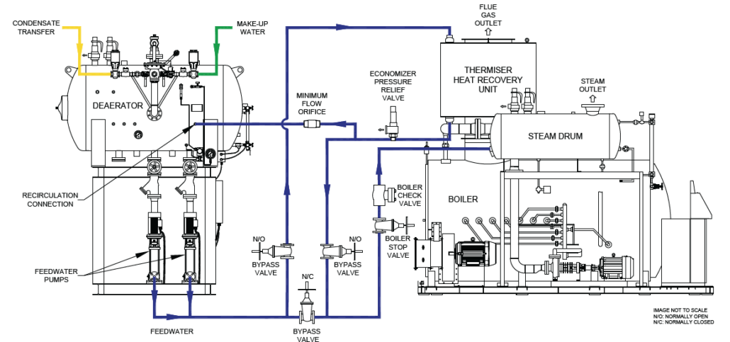
Thermiser Heat Recovery
Your Go-To Source for Industrial & Commercial Boiler Products
Explore our Comprehensive Lineup of Boiler Products We provide service across North America.
Explore our Comprehensive Lineup of Boiler Products We provide service across North America.

Preheat or process water from waste heat, three to seven percent average fuel savings.

| Trim Options and Upgrades | • Modulating Dew Point Control Damper. • Mating/Transition Flange for field-matching to stack. • Flue Gas Stack Extension. • NPT standard or optional Flanged Inlet/Outlet Connection • Optional Stainless Steel Wrapper Sheets. • An integrated Thermiser Heat Recovery unit is available for new Thermocoil boilers if there is a restriction on installation space. |
|---|---|
| Pressure | Standard 600 psig (4138 kPag) design |
| Fuels | Natural Gas, Number 2 Oil, Propane, Combination of any of the above |
| Efficiency | 3% to 7% percent average fuel savings |
| Applications | Steam Boilers, Gas Engines for Cogeneration |
| Codes | ASME BPVC section VIII unfired pressure vessel. |

Thermogenics and Fulton have had an intimate working relationship for over 40 years. Since March 2011, Thermogenics became the exclusive Fulton Representative in the province of Ontario. With access and expertise in the Fulton Steam, Hot water and Thermal Fluid departments. Fulton has over 60 years of expertise in the industry and has expanded its manufacturing techniques globally with steam, hot water and thermal fluid heat transfer systems.